产品中心
伺服轮毂电机
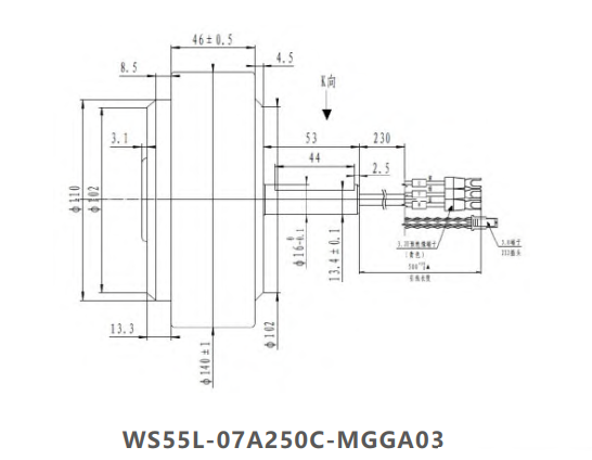
WS55L-07A250C-MGGA03
富兴步进电机提供高性能的两相及三相混合式步进电机,有多种尺寸和输出扭矩,单极性或双极性控制以及单轴或双轴。产品分为标准型,力矩增强型,高防护型等,可以充分满足不同用户的各种应用需求。
1、性能参数
| 型号 | WS55L-07A250C-MGGA03 |
| 外径尺寸 | 140mm |
| 额定电压 | 36VDC |
| 额定电流 | 7 Arms |
| 最高转速 | 250 转/分 (线速度 2米/秒) |
| 额定扭矩 | 7 N.m |
| 峰值扭矩 | 18N.m |
| 工作温度 | -10℃~40℃(不结冰) |
| 工作湿度 | 5~95%RH(无凝露) |
| 储藏温度 | -10℃~70℃(不结冰) |
| 储藏湿度 | 90%RH 以下(无凝露) |
| 保护等级 | 除轴端外IP67 |
| 重量 | 3.2Kg |
| 建议负载(双轮差速) | 140kg以下 |
2、矩频曲线

电机尺寸

资料下载
|
IWS伺服轮毂一体机说明书 - 富兴
|
1.5 MB
|
|
雷火竞技推荐(官方)网站/网页版登录入口/手机版登录入口-最新版(已更新)
利记最火足球网站(官方)网站/网页版登录入口/手机版登录入口-最新版(已更新)
网络权威半岛大全(官方)网站/网页版登录入口/手机版登录入口-最新版(已更新)
188BET正规足球(官方)网站/网页版登录入口/手机版登录入口-最新版(已更新)
188BET最新线上足球(官方)网站/网页版登录入口/手机版登录入口-最新版(已更新)
博鱼靠谱权威网址(官方)网站/网页版登录入口/手机版登录入口-最新版(已更新)
雷火竞技知名靠谱网(官方)网站/网页版登录入口/手机版登录入口-最新版(已更新)
半岛正规足球直播(官方)网站/网页版登录入口/手机版登录入口-最新版(已更新)