星空网络外围官网

FL35ST
产品中心 0.9°步进电机

FL35ST

0.9°,35mm,NEMA 14 ST结构混合式步进电机
选件:
  • FL35ST

    编码器

  • FL35ST

    齿轮箱

  • FL35ST

    接插件

  • FL35ST

    刹车

特性概要(General specification)

项目(Item)

说明(Specifications)

步距角(Step Angle)

0.9°

步距角精度(Step Angle Accuracy)

±5% (整步无负载,full step, no load)

径向间隙( Radial Play)

0.02mm@400 g

轴向间隙( Axial Play)

0.08mm@400 g

最大径向负载(Max. radial force)

28N  距法兰20mm  (20mm from the flange)

最大轴向负载(Max. axial force)

10N  

介电强度(Dielectric Strength)

600VAC / 1S

绝缘电阻(Insulation Resistance)

100MΩ ,500VDC

环境温度(Ambient Temperature)

-20。C~+50。C

绝缘等级(Insulation Class)

Class B


电性能(Electrical specifications)

型号(Model No.)

Current

/Phase

每相

电流

Resistance

/Phase

每相

电阻

Inductance

/Phase

每相

电感

Holding

Torque

保持

转矩

Detent

Torque

定位

转矩

# of Leads

引出线数

Rotor

Inertia

转动惯量

Weight

重量

Length

机身

长度

Single shaft(单出轴)

A

Ω

mH

N.m

N.m

#

g-cm2

kg

mm

FL35ST20-1004MA

1.0

10.0

8.5

0.050

0.005

4

8

0.10

20±1

FL35ST26-0504MA

0.5

6.1

6.9

0.090

0.008

4

11

0.15

26±1

                       

该款电机可以根据客户需求定制。

The motor can be designed &manufactured with customized request.


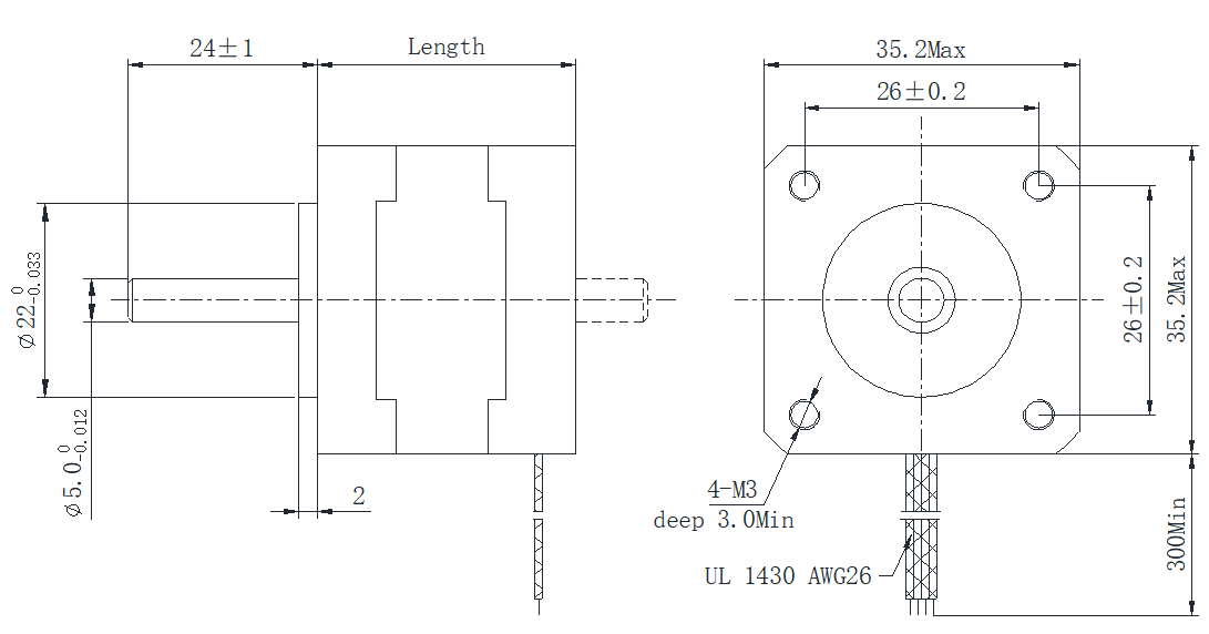
电机尺寸

image


接线图(Wiring Diagram)

 image


矩频曲线 (Pull out torque curve) 

image


资料下载
FL35ST20-1004MA 162.7 KB
FL35ST26-0504MA 162.98 KB

Copyright 2023 版权所有 江苏富兴电机技术股份有限公司

雷火竞技推荐(官方)网站/网页版登录入口/手机版登录入口-最新版(已更新) 利记最火足球网站(官方)网站/网页版登录入口/手机版登录入口-最新版(已更新) 网络权威半岛大全(官方)网站/网页版登录入口/手机版登录入口-最新版(已更新) 188BET正规足球(官方)网站/网页版登录入口/手机版登录入口-最新版(已更新) 188BET最新线上足球(官方)网站/网页版登录入口/手机版登录入口-最新版(已更新) 博鱼靠谱权威网址(官方)网站/网页版登录入口/手机版登录入口-最新版(已更新) 雷火竞技知名靠谱网(官方)网站/网页版登录入口/手机版登录入口-最新版(已更新) 半岛正规足球直播(官方)网站/网页版登录入口/手机版登录入口-最新版(已更新)