星空网络外围官网

FL57ST
产品中心 1.8°两相步进电机

FL57ST

1.8° 57mm, Nema 23, ST结构圆形步进电机
选件:
  • FL57ST

    编码器

  • FL57ST

    齿轮箱

  • FL57ST

    接插件

  • FL57ST

    刹车

特性概要(General specification)

项目(Item)

说明(Specifications)

步距角(Step Angle)

1.8°

步距角精度(Step Angle Accuracy)

±5% (整步无负载,full step, no load)

径向间隙( Radial Play)

0.02mm@450 g

轴向间隙( Axial Play)

0.08mm@450 g

最大径向负载(Max. radial force)

75N  距法兰20mm  (20mm from the flange)

最大轴向负载(Max. axial force)

15N  

介电强度(Dielectric Strength)

600VAC / 1s

绝缘电阻(Insulation Resistance)

100MΩ ,500VDC

环境温度(Ambient Temperature)

-20。C~+50。C

绝缘等级(Insulation Class)

Class B


电性能(Electrical specifications)

型号(Model No.)

Current

/Phase

每相

电流

Resistance

/Phase

每相

电阻

Inductance

/Phase

每相

电感

Holding

Torque

保持

转矩

Detent

Torque

定位

转矩

# of Leads

引出线数

Rotor

Inertia

转动惯量

Weight

重量

Length

机身

长度

Single shaft

(单出轴)

A

Ω

mH

N.m

N.m

#

g-cm2

kg

mm

FL57ST41-1106A

1.1

   3.6

   4.0

0.28

0.018

6

57

0.54

41±1 

FL57ST51-2804A

2.8

   0.85

2.1

0.69

0.035

4

110

0.6

51±1

FL57ST56-2554A

2.55

1.1

3.6

0.84

0.042

4

135

0.65

56±1

FL57ST76-1506A

1.5

3.6

6.0

0.9

0.072

6

200

0.95

76±1

                                

该款电机可以根据客户需求定制。

The motor can be designed &manufactured with customized request.


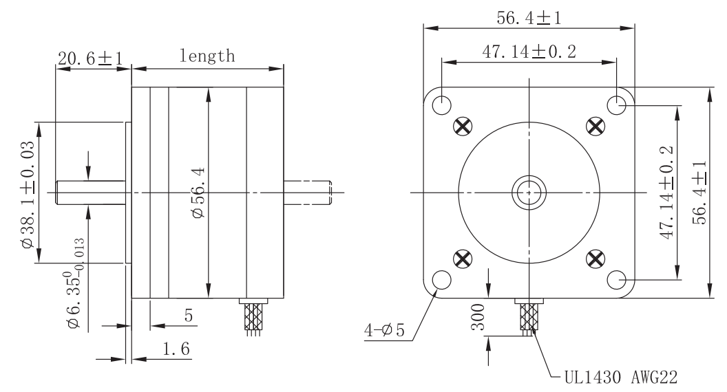
电机尺寸

image



接线图(Wiring Diagram)

 image

矩频曲线 (Pull out torque curve) 

image


资料下载
FL57ST41-1106A 162.53 KB
FL57ST51-2804A 162.86 KB
FL57ST56-2554A 163.53 KB
FL57ST76-1506A 163.05 KB

Copyright 2023 版权所有 江苏富兴电机技术股份有限公司

雷火竞技推荐(官方)网站/网页版登录入口/手机版登录入口-最新版(已更新) 利记最火足球网站(官方)网站/网页版登录入口/手机版登录入口-最新版(已更新) 网络权威半岛大全(官方)网站/网页版登录入口/手机版登录入口-最新版(已更新) 188BET正规足球(官方)网站/网页版登录入口/手机版登录入口-最新版(已更新) 188BET最新线上足球(官方)网站/网页版登录入口/手机版登录入口-最新版(已更新) 博鱼靠谱权威网址(官方)网站/网页版登录入口/手机版登录入口-最新版(已更新) 雷火竞技知名靠谱网(官方)网站/网页版登录入口/手机版登录入口-最新版(已更新) 半岛正规足球直播(官方)网站/网页版登录入口/手机版登录入口-最新版(已更新)