项目(Item) | 说明(Specifications) |
步距角(Step Angle) | 1.8° |
步距角精度(Step Angle Accuracy) | ±5% (整步无负载,full step, no load) |
径向间隙( Radial Play) | 0.02mm@450 g |
轴向间隙( Axial Play) | 0.08mm@450 g |
最大径向负载(Max. radial force) | 330N 距法兰20mm (20mm from the flange) |
最大轴向负载(Max. axial force) | 100N |
介电强度(Dielectric Strength) | 1200VAC / 1s |
绝缘电阻(Insulation Resistance) | 100MΩ ,500VDC |
环境温度(Ambient Temperature) | -20℃~+50℃ |
绝缘等级(Insulation Class) | Class B |
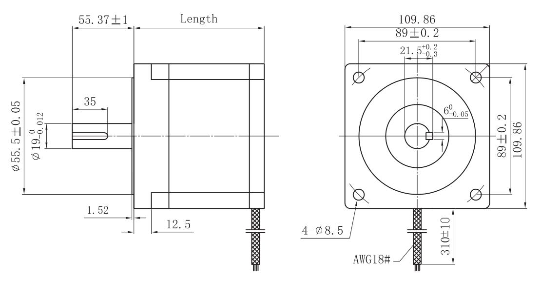
型号(Model No.) | Current /Phase 每相 电流 | Resistance /Phase 每相 电阻 | Inductance /Phase 每相 电感 | Holding Torque 保持 转矩 | Detent Torque 定位 转矩 | # of Leads 引出线数 | Rotor Inertia 转动惯量 | Weight 重量 | Length 机身 长度 |
单轴(Single shaft) | A | Ω | mH | N.m | N.m | # | kg | kg-cm | mm |
FL110STH99-5504A | 5.5 | 0.7 | 9.8 | 11.2 | 0.55 | 4 | 5 | 3 | 99±1 |
FL110STH150-6504A | 6.5 | 0.72 | 11.5 | 21 | 1.09 | 4 | 8.4 | 5.9 | 150±1 |
FL110STH201-8004A | 8 | 0.67 | 12 | 28 | 1.62 | 4 | 11.7 | 7.5 | 201±1 |
该款电机可以根据客户需求定制。
The motor can be designed &manufactured with customized request.




Copyright 2023 版权所有 江苏富兴电机技术股份有限公司