星空网络外围官网

FL42RBL-42JMG50K
产品中心 行星减速箱

FL42RBL-42JMG50K

42mm圆形无刷电机配42mm行星减速箱
选件:
  • FL42RBL-42JMG50K

    编码器

  • FL42RBL-42JMG50K

    齿轮箱

  • FL42RBL-42JMG50K

    接插件

  • FL42RBL-42JMG50K

    刹车

无刷直流行星齿轮减速电机(内齿圈材质:金属) 

BLDC Planetary Gear Moto (Ring Gear Material: Metal)


型号范围

FL42RBL/42JMG50K

Φ42行星减速器,允许转矩范围:0.5N.m~5.0N.m 

42mm OD Planetary Gearbox, Permissible Load Range: 0.5N.m~5.0N.m


接线方式   Wire Diagram

UVWVccHaHbHcGND
红Red棕Brown黑Black蓝Blue黄Yellow棕Brown红Red绿Green
UL1007  AWG22UL1007  AWG26


无刷电动机主要技术参数  Brushless Motor Technical Data


电机型号极 数相 数额定电压空载转速额定转速额定转矩额定功率峰值转矩峰值电流电阻电感
TYPENumber of polesNumber of phaseRated voltageNo-load speedRated speedRated torqueRated powerReak torquePeak currentLine to line resistanceLine to line inductance



VDCr/minr/minmN.mWmN.mAohmsmH
FL42RBL30-2455832455004000208.4601.75.95.1
FL42RBL60-245483245400420056251704.41.61.94



无刷行星齿轮减速电机主要技术参数  Brushless Gear Motor Technical Data

配置FL42RBL30-2455无刷直流电机 (LD=30mm)  FL42RBL30-2455 DC Brushless Motor(LD=30mm)

 

减 速 比   Reduction ratio3.84.9151924567191116212271346442565
减速级数 Number of gear trains11222333344444
减速器长度(L)  Length(L)mm35.235.245.745.745.75656565666.366.366.366.366.3
空载转速   No-load speedr/min1440112736728922998776047262016129.7
额定转速   Rated speedr/min10478202672111677156443419151297.1
额定转矩   Rated torqueN.m0.070.090.240.310.390.8211.31.72.83.54.555
最大瞬间允许负载Max. permissible load in a short timeN.m1.51.5666121212121515151515


配置FL42RBL60-2454无刷直流电机(LD=60mm)   FL42RBL60-2454 DC Brushless Motor(LD=60mm)

减 速 比   Reduction ratio3.84.9151924567191116212
减速级数 Number of gear trains1122233334
减速器长度(L)  Length(L)mm35.235.245.745.745.75656565666.3
空载转速   No-load speedr/min141411073602642259676594725
额定转速   Rated speedr/min10998612802211757559463620
额定转矩   Rated torqueN.m0.190.250.680.861.12.32.93.74.75
最大瞬间允许负载Max. permissible load in a short timeN.m1.51.56661212121215


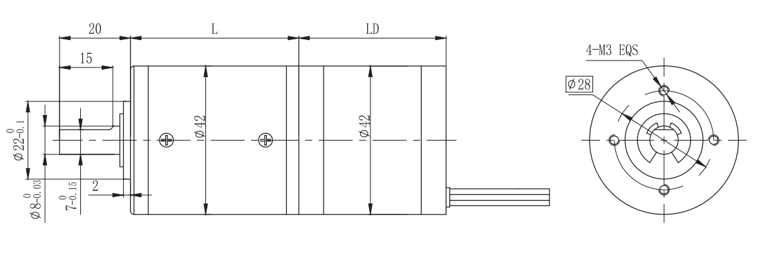
电机尺寸

image

资料下载

Copyright 2023 版权所有 江苏富兴电机技术股份有限公司

雷火竞技推荐(官方)网站/网页版登录入口/手机版登录入口-最新版(已更新) 利记最火足球网站(官方)网站/网页版登录入口/手机版登录入口-最新版(已更新) 网络权威半岛大全(官方)网站/网页版登录入口/手机版登录入口-最新版(已更新) 188BET正规足球(官方)网站/网页版登录入口/手机版登录入口-最新版(已更新) 188BET最新线上足球(官方)网站/网页版登录入口/手机版登录入口-最新版(已更新) 博鱼靠谱权威网址(官方)网站/网页版登录入口/手机版登录入口-最新版(已更新) 雷火竞技知名靠谱网(官方)网站/网页版登录入口/手机版登录入口-最新版(已更新) 半岛正规足球直播(官方)网站/网页版登录入口/手机版登录入口-最新版(已更新)