星空网络外围官网

iSVD46C-48V-17-A14-001
Product Joint module

iSVD46C-48V-17-A14-001

Steady and Accurate, Light and Compact 5.5N.m integrated QDD motor module Motor body, reducer, and driver (double encoders) three-in-one, with a peak torque of 5.5N.m, equipped with high-performance motor control and closed-loop temperature control algorithms.
option:
  • iSVD46C-48V-17-A14-001
  • iSVD46C-48V-17-A14-001
  • iSVD46C-48V-17-A14-001
  • iSVD46C-48V-17-A14-001

电气特性Electrical Specs

科目 Item参数 Spec
磁编码器 Magnetic Encoder2   pcs
额定电压 Rated Voltage48V
使用电压范围 Voltage Range15-60V
额定输出功率 Rated Output Power16.7w   ±10%
额定扭矩 Rated Torque1.6N.m
峰值扭矩 Peak Torque5.5N.m
运转方向 Running DirectionCW/CCW
使用温度范围 Temperature Range-20~50℃
使用湿度范围 Humidity Range5~85%
保存温度范围 Storage Temperature Range-30~70℃
绝缘等级 Insulation LevelClass   B
空载转速 No-load Speed480   rpm ± 10%
空载电流 No-load Current0.14   Arms
额定负载转速 Rated Load Speed100   rpm ± 10%
额定负载相电流 Rated Load Phase Current2.4Apk   ± 10%
峰值相电流 Peak Phase Current11Apk   ± 10%
绝缘电阻/定子绕组 Insulation Resistance/ Stator WindingDC   500VAC,100M 0hms
耐高压/定子与机壳 High Voltage Resistance/ Stator and Casing600VAC,   1s, 2mA
电机反电势 Back-EMF7.4   Vrms/rpm ±10%
转矩常数 Torque Constant0.94   N.m/Arms


机械参数 Mechanical Specs

科目 Item参数 Spec
重量 Weight310g   ±3g
极数 Pole28
相数 Phase3
驱动方式 Drive MethodFOC
减速比 reduction ratio10:1


性能曲线 Performance Curves

48V T-N曲线(T-N under 48V)

image

最大过载曲线(Max Overload)

负载 Load   (N.m)工作时间 Operating   Time (s)
5.54
55.5
412
341
2300
1.6rated

image


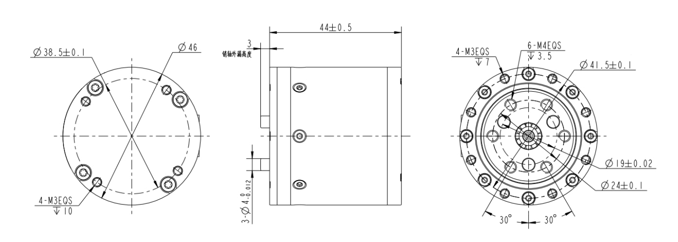
Motor size

image

Download

Copyright 2023 Copyright Jiangsu Fulling Motor Technology Co., Ltd.

雷火竞技推荐(官方)网站/网页版登录入口/手机版登录入口-最新版(已更新) 利记最火足球网站(官方)网站/网页版登录入口/手机版登录入口-最新版(已更新) 网络权威半岛大全(官方)网站/网页版登录入口/手机版登录入口-最新版(已更新) 188BET正规足球(官方)网站/网页版登录入口/手机版登录入口-最新版(已更新) 188BET最新线上足球(官方)网站/网页版登录入口/手机版登录入口-最新版(已更新) 博鱼靠谱权威网址(官方)网站/网页版登录入口/手机版登录入口-最新版(已更新) 雷火竞技知名靠谱网(官方)网站/网页版登录入口/手机版登录入口-最新版(已更新) 半岛正规足球直播(官方)网站/网页版登录入口/手机版登录入口-最新版(已更新)